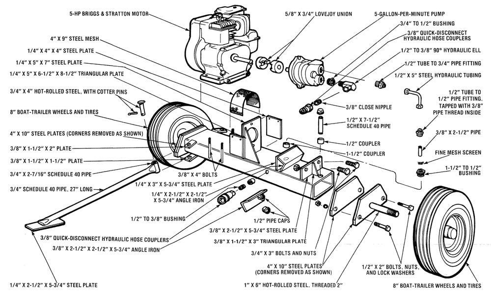
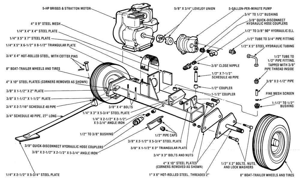
Firewood Log Splitter, E-Plan
Members save: $1.01 (10.1%)
List Price:
Couldn't load pickup availability
Build this top-quality, portable and versatile splitter from used and fabricated parts. Capable of splitting logs as big as 2 feet in diameter and 21 inches long. You can trail this rig on full-sized, heavy-duty trailer tires. This e-plan includes materials list and step-by-step instructions. Advanced mechanical skills are recommended.
Mother Earth News E-Plans are packed with practical information, innovative ideas and creative projects right at your fingertips. By supporting digital products like this one you are helping save millions of trees a year. Order your downloadable PDF and start building today!
System information: 55MB, load times may vary.
INSTANT DELIVERY ITEM: Order this e-plan and it will be delivered directly to your computer — no more waiting for delivery or paying expensive shipping and handling fees. For best results print at 100% on 11x17 paper or have the plan printed at your nearest print store.
DISCLAIMER
It is your responsibility to make sure that any project you undertake is safe, effective, and legal for your situation. All Ogden Publications' plans are offered AS IS for information and entertainment purposes only. No warranties are expressed or implied. By using this information or this plan you agree to hold Ogden Publications harmless from any damages or injuries of any kind that might result from errors, omissions or other causes.
